About
Company Profile
Company History
Quality Certification
Products
Product Series
Brush DC Motor
Geared Brush Motor
Brushless DC Motor
Geared Brushless Motor
Search
Technology
Production and Equipment
Instruction Manual Of Motor
EBook
Contact
Contact
Location
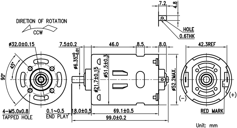
PR987AG