公司簡介
公司簡介
企業歷史
品質認證
產品總覽
產品系列
有刷馬達
有刷齒輪箱馬達
無刷馬達
無刷齒輪箱馬達
產品搜尋
技術支援
生產與設備
馬達說明書
電子書
聯絡我們
聯絡諮詢
服務據點
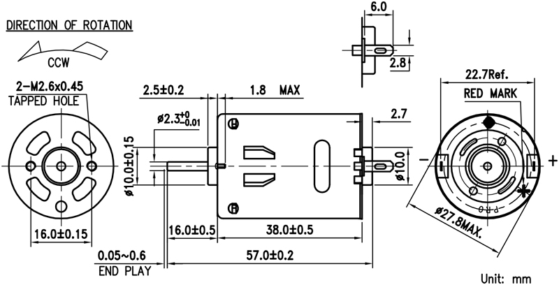
PR380_385AG